Product Summary
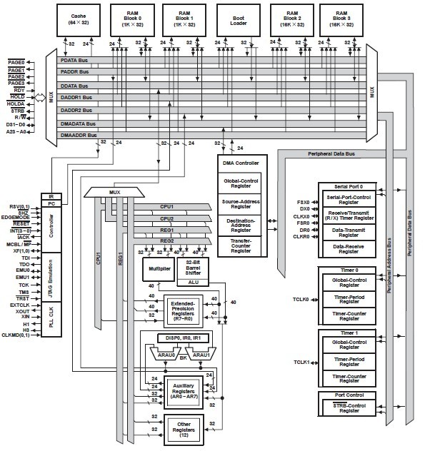
The TMS320VC33PGE DSP is a 32-bit, floating-point processor manufactured in 0.18-μm four-level-metal CMOS (TImeline) technology. The TMS320VC33PGE internal busing and special digital-signal-processing instruction set have the speed and flexibility to execute up to 150 million floating-point operations per second (MFLOPS). The TMS320VC33PGE optimizes speed by implementing functions in hardware that other processors implement through software or microcode. This hardware-intensive approach provides performance previously unavailable on a single chip. The TMS320VC33PGE can perform parallel multiply and ALU operations on integer or floating-point data in a single cycle. Each processor also possesses a general-purpose register file, a program cache, dedicated ARAUs, internal dual-access memories, one DMA channel supporting concurrent I/O, and a short machine-cycle time. High performance and ease of use are the results of these features.
Parametrics
TMS320VC33PGE absolute maximum ratings: (1)Supply voltage range, DVDD: -0.3 V to 4 V; (2)Supply voltage range, CVDD: -0.3 V to 2.4 V; (3)Input voltage range, VI: -1 V to 4.6 V; (4)Output voltage range, VO: -0.3 V to 4.6 V; (5)Continuous power dissipation (worst case): 500 mW(for TMS320VC33-150); (6)Operating case temperature range, TC (PGE - commercial): 0℃ to 90℃; (7)TC (PGEA - industrial): - 40℃ to 100℃; (8)Storage temperature range, Tstg: - 55℃ to 150℃.
Features
TMS320VC33PGE features: (1)High-Performance Floating-Point Digital Signal Processor; (2)34K × 32-Bit (1.1-Mbit) On-Chip Words of Dual-Access Static Random-Access Memory (SRAM) Configured in 2 × 16K Plus 2 × 1K Blocks to Improve Internal Performance; (3)x5 Phase-Locked Loop (PLL) Clock Generator; (4)Very Low Power: < 200 mW @ 150 MFLOPS; (5)32-Bit High-Performance CPU; (6)16-/32-Bit Integer and 32-/40-Bit Floating-Point Operations; (7)Four Internally Decoded Page Strobes to Simplify Interface to I/O and Memory Devices; (8)Boot-Program Loader; (9)EDGEMODE Selectable External Interrupts; (10)32-Bit Instruction Word, 24-Bit Addresses; (11)Eight Extended-Precision Registers.
Diagrams

| Image | Part No | Mfg | Description | ![]() |
Pricing (USD) |
Quantity | ||||||||||||
|---|---|---|---|---|---|---|---|---|---|---|---|---|---|---|---|---|---|---|
![]() |
![]() TMS320VC33PGE120 |
![]() Texas Instruments |
![]() Digital Signal Processors & Controllers (DSP, DSC) Digital Signal Proc |
![]() Data Sheet |
![]()
|
|
||||||||||||
![]() |
![]() TMS320VC33PGE120G4 |
![]() Texas Instruments |
![]() Digital Signal Processors & Controllers (DSP, DSC) Digital Signal Proc |
![]() Data Sheet |
![]()
|
|
||||||||||||
![]() |
![]() TMS320VC33PGE150 |
![]() Texas Instruments |
![]() Digital Signal Processors & Controllers (DSP, DSC) Digital Signal Proc |
![]() Data Sheet |
![]()
|
|
||||||||||||
![]() |
![]() TMS320VC33PGEA120 |
![]() Texas Instruments |
![]() Digital Signal Processors & Controllers (DSP, DSC) Digital Signal Proc |
![]() Data Sheet |
![]()
|
|
||||||||||||
(China (Mainland))









