Product Summary
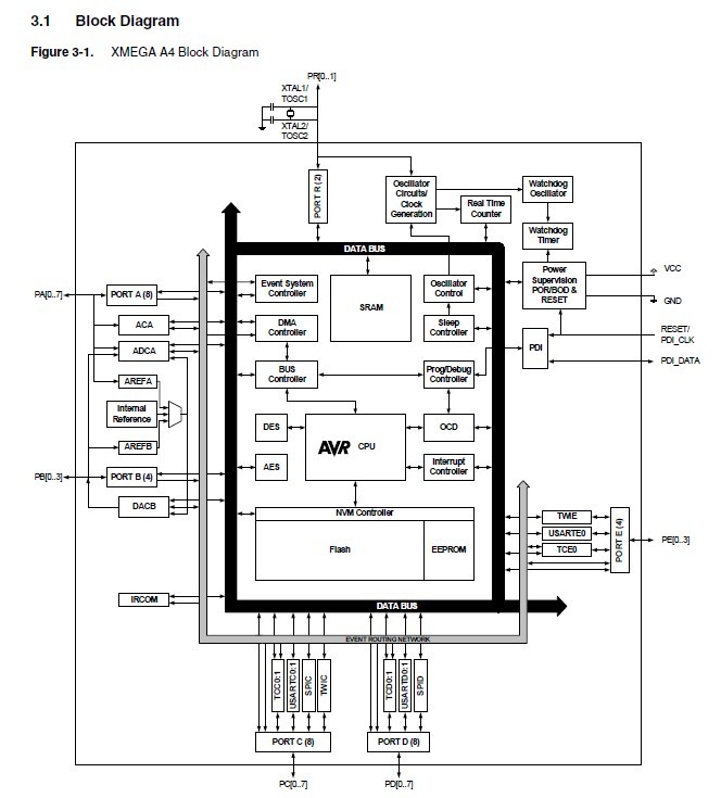
The ATXMEGA16A4-AU is a low power, high performance and peripheral rich CMOS 8/16-bit microcontroller based on the AVR enhanced RISC architecture. By executing powerful instructions in a single clock cycle, the XMEGA A4 achieves throughputs approaching 1 Million Instructions Per Second (MIPS) per MHz allowing the system designer to optimize power consumption versus processing speed.
Parametrics
Absolute maximum ratings: (1)Operating Temperature: -55℃ to +125℃; (2)Storage Temperature: -65℃ to +150℃; (3)Voltage on any Pin with respect to Ground..-0.5V to VCC+0.5V; (4)Maximum Operating Voltage: 3.6V; (5)DC Current per I/O Pin: 20.0 mA; (6)DC Current VCC and GND Pins: 200.0 mA.
Features
Features: (1)High-performance, Low-power AVR 8/16-bit AVR XMEGA Microcontroller; (2)Non-volatile Program and Data Memories: 16K - 128K Bytes of In-System Self-Programmable Flash, 4K Boot Code Section with Independent Lock Bits, 1K - 2K Bytes EEPROM, 2K - 8K Bytes Internal SRAM; (3)Speed performance: 0 – 12 MHz @ 1.6 – 2.7V, 0 – 32 MHz @ 2.7 – 3.6V.
Diagrams

| Image | Part No | Mfg | Description | ![]() |
Pricing (USD) |
Quantity | ||||||||||||
|---|---|---|---|---|---|---|---|---|---|---|---|---|---|---|---|---|---|---|
![]() |
![]() ATXMEGA16A4-AU |
![]() Atmel |
![]() 8-bit Microcontrollers (MCU) 8/16 bit 1.6V-3.6V 16KB + 4KB |
![]() Data Sheet |
![]()
|
|
||||||||||||
![]() |
![]() ATXMEGA16A4-AUR |
![]() Atmel |
![]() 8-bit Microcontrollers (MCU) IND 3.6V IND TEMP 3.6V |
![]() Data Sheet |
![]()
|
|
||||||||||||
(China (Mainland))









